香港腕表价格交流群

时间的倾角——记GF差动式双体双轴陀飞轮机械表

2020-11-14 07:18:22

Greubel Forsey差动式双体双轴陀飞轮机械表
及倾斜30度角的陀飞轮模型、草图

1999年 Greubel Forsey品牌(以下简称GF)成立于瑞士的拉绍德封,品牌的创始人为Robert Greubel 与Stephen Forsey,作为独立制表人,他们俩决心恢复陀飞轮的往日荣耀,他们专注于创新以捍卫心目中坚定地走钟表技术路线的精神。GF追求创新和不对称美学,尤以GF陀飞轮著称。在他们的眼中外形经过修正的圆锥形传动系统,其效率水平远高于标准直角传动系统。在此影响下GF陀飞轮腕表每每给人带来极大的冲击,这种冲击不仅仅在视觉上,也在技术上。

本期带来GF差动式双体双轴陀飞轮机械表,此陀飞轮机械表的独特之处在于它提出了四轴陀飞轮以及差动概念,令人赞叹不已。

提出了四轴陀飞轮以及差动概念的陀飞轮

技术参数

机心:拥有专利的手动上弦机心、531个零件,4个独立陀飞轮分装在两组双陀飞支架中,63钻,21600次/小时,高速旋转双条盒系列,50小时动力储存。其中,两个内部30°倾斜陀飞轮,每60秒旋转一周;两个外部陀飞轮,每4分钟旋转一周。

功能:中心时分针;2点位飞返小秒;2点位示能。

表壳:18K红金,直径43.5mm;不对称的球形蓝宝石表镜,透明后盖;侧面蓝宝石视窗;后盖有手工发明名称的浮雕;30米防水。

表带:黑色手工缝制鳄鱼皮表带,可折叠带扣,手工雕刻“Greubel Forsey”字样。

当陀飞轮机构从平面提升到二维空间旋转时,陀飞轮这个沿袭了200多年的机械结构终于有了革命性的转变……

表款综述

这款可称为制表业巅峰之作的手表拥有多个闪光点,如独立发明专利的手动上弦系统;超长时间的动力储备,给“享受偷懒”的使用者提供了足够的先决条件;四个不同步的独立陀飞轮安装在两组自动调速机构中,这两组调速机构分别安装在陀飞轮支架中,通过球形差动机构连接, 从而手表可以正常地显示时间。四个陀飞轮的设计不仅增加了机心的观赏性,更将机械的美感表现的淋漓尽致,并提高了手表的走时准确度,这一历史性创举将制表业带入一个崭新的时代。

表款结构解析

当年宝玑制表大师发明陀飞轮的目的是最大限度地减少了由于地球引力所导致的钟表位置误差以提高走时精度,而现在多数人认为陀飞轮已经失去了宝玑大师的设计理念,更多的只是代表了高级制表的工艺。不过精益求精的制表师们仍然寄望能够传承宝玑大师的精华,于是当陀飞轮机构从平面提升到二维空间旋转时,陀飞轮这个沿袭了200多年的机械结构终于有了革命性的转变,GF独立制表人所设计的双轴陀飞轮在现有的立体陀飞轮中独树一帜,体现了技术上的领先。它的特点是陀飞轮具有的两个轴心线以30度交叉串联,其实这种结构就相当于两个平面陀飞轮被串联为一个整体再联动,能量通过外层陀飞轮框架传送给内层陀飞轮框架,最后到达最核心的部分——调速机构,使整个双轴陀飞轮运转起来,这样陀飞轮内在的调速机构将会倾斜一个角度,同时被两个旋转轴驱动下以多个角度的运动轨迹转动,这样理论上可以更有效地抵消由于地球引力所带来的等时性误差,可以相对于平面陀飞轮机械表更加有效地提高走时精度。

机心主传动部分再解析

WO专利公开号03017009A2为Greubel Forsey双轴陀飞轮所申请的发明专利,下面将根据此专利来解析此双轴陀飞轮的结构与工作原理:

首先,图1所示是内轴陀飞轮结构图,熟悉第一代宝玑式陀飞轮机构的朋友对这张图不会陌生,这类陀飞轮的构造组成基本上是一致的,只是在一些细节上存在一定的差异,此内轴陀飞轮机构包括:下支架60、下支架轴60b、内秒齿轴60c、擒纵轮部件70、擒纵轮70b、擒纵齿轴70a、擒纵轮的上下支承宝石74、擒纵叉部件68、摆轮游丝系统66、秒夹板部件52、下防震器72、擒夹板58、摆夹板组件54、上防震器73、上支架62、上支架轴62b,从这些组成部分我们就能看出此内轴陀飞轮就是比较典型的宝玑式陀飞轮结构,它的工作原理也跟宝玑式陀飞轮相同。

其次,图2与图3所示为外轴陀飞轮,图2是外轴陀飞轮的基本构造,A-A轴与B-B轴相互交叉形成一个角度,而内轴陀飞轮是以B-B轴为轴心线旋转,A-A轴是外轴陀飞轮的轴心线。图3是外轴陀飞轮框架的立体效果图,此外轴陀飞轮机构包括:上支承夹板30、上支架42、上支承宝石50、上支架轴36、上支架轴尖36a、下支承夹板28、下支架40、下支架轴34、下支架轴尖34a、下支承宝石47、外秒齿轴45、秒轮片48、秒轮片齿48a,其特点是分成了上下两层,其中上支承宝石50与下支承宝石47作为内轴陀飞轮的上下支承,而我们曾经讲过的宝玑式陀飞轮被固定在夹板上的秒轮片48在这里被固定在外轴陀飞轮的下支架40上,进而将它们同时固定在下支承夹板28上,外秒齿轴45将会与输入能量的轮系连接,上支架轴尖36a与下支架轴尖34a的作用相当于宝玑式陀飞轮的两个支承轴一样,它们支撑起整个双轴陀飞轮的框架,而且每个支承轴尖被设置于固定在夹板上的上下两个支承架的宝石轴承内,此时需要注意是刚才说到的上下两个支承架是固定不动的;

再次,图4与图5所示为内轴陀飞轮与外轴陀飞轮两者之间的连接结构图,前面提到的固定不动的两个支架就是下固定支架10与上固定支架12,而固定在夹板上的上下两个支承架的宝石轴承为14,此时内轴与外轴陀飞轮的轴心线相互交叉为角度α,这个角度是根据双轴陀飞轮的整体需要而设定的,只是需要注意的重点是此角度跟内轴陀飞轮的秒齿轴60c与跟它有啮合关系的并被固定在夹板上的外轴秒轮片25的锥形齿轮25a的角度有直接关系,此时内轴陀飞轮的上支架轴62b与下支架轴60b分别被设置在外轴陀飞轮框架的上支承宝石50与下支承宝石47内,而擒纵齿轴70a与秒轮片齿48a啮合,这样双轴陀飞轮就基本上被串联成为了一个整体;

最后,图6与图7所要表达的意思是此双轴陀飞轮的动力输入方式不仅仅是那一种,通过将结构适当的调整,还可以有多种结构方式供选择,当然我们所需要的是最优选项,只是方案的制定不能够过于单一,那样就会限制住了我们的设计思路。

双轴陀飞轮原理

下面介绍一下Greubel Forsey双轴陀飞轮的工作原理:其实,前面说过双轴陀飞轮就是两个陀飞轮框架被整合串联为一个整体框架,(见图4、图5)首先是能量输入轮系18将动力传递给了外秒齿轴45,由于此秒齿轴紧固于外轴陀飞轮框架的下支架轴34,因此它带动了外轴陀飞轮开始转动,与此同时外轴陀飞轮也开始驱动内轴陀飞轮的内秒齿轴60c与外轴秒轮片25啮合,并且以A-A轴心线为轴公转的同时还以B-B轴心线为轴自转,此时秒轮片48在外轴陀飞轮框架的带动下以A-A轴心线为轴公转的同时与擒纵齿轴70a保持着啮合的关系,而擒纵齿轴70a既与秒轮片48公转啮合,又与擒纵机构配合中自转,这样从外轴框架输入的能量通过这几个环节逐层输入到了调速机构,使摆轮游丝系统得到了动力后开始运转起来,也就是说双轴陀飞轮开始工作了。这时,双轴陀飞轮的转动速度是以内外两个轴来计算的,内轴陀飞轮是每分钟旋转一周,而外轴陀飞轮是以每4分钟旋转一周,这两个轴的旋转速度是根据设计者的齿轮的配比来完成的,也是根据机心整体的需要来设定的,最关键的传动比在于内轴陀飞轮的擒纵齿轴70a与外轴陀飞轮的秒轮片48a的齿数比以及内轴陀飞轮的秒齿轴60c与外轴陀飞轮的秒轮片25的齿数比,此外跟外轴陀飞轮连接的输入能量的轮系被它控制了转动速度,从而控制了与之连接的显示轮系来显示时间,这样完整的陀飞轮机心轮廓已经完成。

结构与工作原理

前面提到陀飞轮设计之初是为了提高手表的走时精度,GF这款表正是这一精神的忠实追寻者。为什么这样讲呢?这款表的特点为机心中的原动系统通过传动轮系尤其是其中设置的差动轮系将能量分别传递给两个陀飞轮,而两个陀飞轮的转动速度再通过传动轮系中设置的差动轮系平均后输送给显示机构正确显示时间,此类陀飞轮手表的优势在于两个陀飞轮的走时误差经过差动轮系代数和平均后可以减少,从而进一步提高了走时的准确性。根据双体陀飞轮的结构特点,需要注意的问题是:根据机械原理介绍的差动机构的特性是它既可以分解运动或动力又可以合成运动或动力,因此利用它可以将原动系、显示系、传动系与两个陀飞轮很好的连接到一起从而组成完整机心。

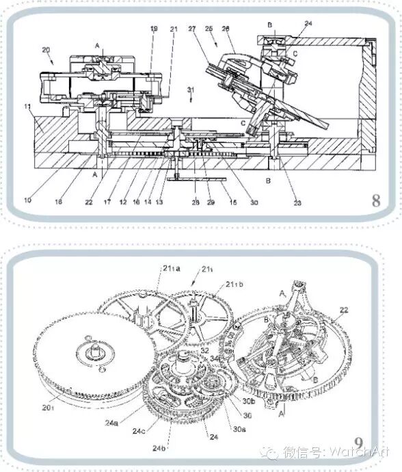
WO专利公开号2005043257A1为Greubel Forsey差动式双体陀飞轮机械表申请的发明专利,它就是基于上面说到的设计思路将两个双轴陀飞轮通过一套差动轮系的并联连接形成了一个完整的机械表机心,如图8所示,此机心包括了:①陀飞轮20与陀飞轮25,这两个陀飞轮可以是前面已经讲过的双轴陀飞轮,也可以是我在2010年给大家所介绍过的任意种类陀飞轮的组合,陀飞轮20的能量输入端是18,陀飞轮25的能量输入端是23;②差动轮系是通过齿轮13、齿轴14、行星齿轴28、行星齿轮30、行星螺钉29、第一轮片22、第二轮片17、齿轴16组成;③能量输入轮系12,其中第一轮片22与第二轮片17的齿数相等,齿轴14、行星齿轴28、行星齿轮30与齿轴16四个齿轮的齿数比决定了此行星轮系的均化倍数,齿轮13与能量输入轮系12相互啮合,齿轴14与行星齿轴28相互啮合,齿轴16与行星齿轮30相互啮合,第一轮片22与陀飞轮25的能量输入端是23相互啮合,第二轮片17与陀飞轮20的能量输入端是18相互啮合。

它的工作原理是能量输入轮系12将动力输入给齿轮13,由于齿轮13与齿轴14是方孔与方轴相配合,所以两个是一体联动的,在齿轮13的带动下齿轴14驱动行星齿轴28开始转动,而行星齿轴28与行星齿轮30通过行星螺钉29固定为一体,并且设置在第一轮片22上,因此当行星齿轴28得到动力旋转后,它会使行星齿轮30同时转动,此时由于它们是被偏心设置在第一轮片22上的行星轮,它们在共同自转的时候还会带动第一轮片22,以至于它们再围绕齿轴14的轴心线公转,这样行星齿轮30同时又会驱动齿轴16转动起来,并且齿轴16与第二轮片17被固定为一体,使第二轮片17也被驱动,此时行星轮系已经完整的开始运作,这样来自于机心原动系统的能量将会通过此差动系统分配给两个陀飞轮,以此驱动它们转动,同时最重要的是提供给陀飞轮内部的摆轮游丝系统能量,以便使整个机心的两个调速机构运转起来并同时开始作为计时基础,再根据差动系统合成运动的机械原理将两个陀飞轮的计时成果合成均化为正常走时,通过显示系统来显示时间,图9是差动式双体双轴陀飞轮机械表机心的局部效果图,通过此图我们可以看见此机心的布局效果。

Greubel Forsey差动式双体双轴陀飞轮机械表的奥秘通过这两部分的剖析呈现给大家,不知道大家对此手表的复杂组合有何感想,其实再复杂的结构都是由简单的基础组合而成的,双轴陀飞轮也是两个基础陀飞轮的串联式,在平面陀飞轮的基础上发展起来的。

Greubel Forsey 的DT30V系列陀飞轮表,
搭载了单体双轴倾斜30度的陀飞轮


瑞士手表品牌

友情链接

Copyright © 2023 All Rights Reserved 版权所有 香港腕表价格交流群