香港腕表价格交流群

数字万用表电路图及电阻档维修方法

2020-11-08 09:04:29

数字万用表在日常生活的检测中还是比较常见的,它是一种多用途的电子测量仪器,包含了安培计、电压表、欧姆计等功能,也被称为万用计、多用电表。它的功能很多,但主要的是对电压、电阻和电流的测量,现已广泛应用于物理、电气、电子等测量领域。

数字万用表电路图

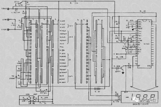
DT9205数字万用表电路图

DT-380B型数字万用表电路图

DT9208数字万用表电路图

WH-9208A数字万用表电路图

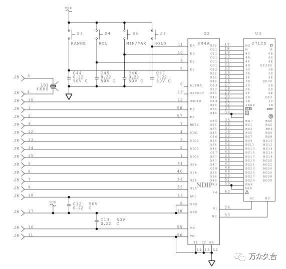
FLUKE 27-1002数字万用表电路图

DT890A型数字万能表电路图

数字万用表电阻档维修

电阻档的故障率比较高,大多数是由于不慎用电阻档去测量220V交流电压而造成的。故障维修时对此故障需做如下几项检查。

①检查转换开关是否接触不良。这是引起电阻档失效的常见原因。

②检查热敏电阻是否开路失效或阻值变大。热敏电阻是串接在电阻档标准电阻之前的保护器件,当其开路失效时,会使整个电阻档不能测量:当其阻值变得很大时,轻者造成极大的测量误差,重者会使电阻档失效。

③检查标准电阻是否开路失效或阻值变大。标准电阻是串联在一起构成电阻测量电路的元件,一旦某一电阻量程的标准电阻呈开路状态,不仅使该量程失效,而且与其相关的量程也会受到牵连。检查时要根据故障的具体表现进行分析判断。

④检查过压保护晶体管c-e极之间并联的电容(0.1 u F)是否击穿短路或严重漏电。

⑤检查与基准电压输出串联的电阻是否断路或脱焊。

数字万用表高效用使用方法

数字万用表的交流电压挡很灵敏,哪怕周围有很小的感应电压都可以有显示。

1.根据这一特点,可以当作测试电笔用,用法如下:

将万用表打到AC20V挡,黑表笔悬空,手持红表笔与所侧路线或器件相接触,这时万用表会有显示,如果显示数字在几伏到十几伏之间(不同的万用表会有不同的显示),表明该线路或器件带电,如果显示为零或很小,表明该线路或器件不带电。

2.区分供电线是火线还是零线

第一种方法:可以用上面的方法加以判断:显示数字较大的就是火线,显示数字较小的就是零线。这种方法需要与所测量的线路或器件接触。

第二种方法:不需要与所测量的线路或器件接触。将万用表打到AC2V挡,黑表笔悬空,手持红表笔使笔尖沿线路轻轻滑动,这时表上如果显示为几伏,表明该线是火线.如果显示只有零点几伏甚至更小.则说明该线是零线。这样的判断方法不与线路直接接触.不仅安全而且方便快捷。

 3.寻找电缆的断点

当电缆线中出现断点时,传统的方法是用万用表电阻挡一段一段地寻找电缆的断点,这样做不仅浪费时间,而且会在很大程度上损坏电缆的绝缘。利用数字万用表的感应特性可以很快地寻找到电缆的断开点。先用电阻挡判断出是哪一根电缆芯线发生断路.然后将发生断路的芯线的一头接到AC220V的电源上,随后将万用表打到AC2V挡的位置上,黑表笔悬空,手持红表笔使笔尖沿线路轻轻滑动,这时表上若显示有几伏或零点几伏(因电缆的不同而不同)的电压,如果移动到某一位置时表上的显示突然降低很多,记下这一位置:一般情况下。断点就在这一位置的前方10~20cm之间的地方。

用这种方法还可以寻找故障电热毯等电阻丝的断路点。

4.测量UPS电源的频率

对于UPS电源来说.其输出端的电压的稳定性是重要参数,其输出的频率也很重要。但是不能直接用数字万用表的频率挡去测量,因为其频率挡能承受的电压很低.只有几伏。这时可以在UPS电源的输出端接一220V/6V或220V/4V降压变压器,将电压降低,而不改变电源的频率,然后将频率挡与变压器的输出相接,就可以测量出UPS电源的频率。

总的来说,数字万用表的使用还是要用正确的方法操作,不能不懂原理和功能就去盲目的使用,合理的按照正确方法操作也有利于数字万用表更好的为我们所用,延长仪器的寿命。

万众久合:每天精彩好文章


友情链接

Copyright © 2023 All Rights Reserved 版权所有 香港腕表价格交流群