香港腕表价格交流群

数字万用表操作使用方法图解

2023-05-25 17:04:50

数字万用表(DMM)是将被测量经过放大之后,再经过数字化处理,最终将测量结果由数字表头以数字的形式显示出来的一种万用表。与模拟式万用表(VOM)相比,它的测量准确度高、分辨力高、电压灵敏度高、测量种类多、功能齐全、过载能力强、抗干扰性好

数字万用表(DMM)是将被测量经过放大之后,再经过数字化处理,最终将测量结果由数字表头以数字的形式显示出来的一种万用表。与模拟式万用表(VOM)相比,它的测量准确度高、分辨力高、电压灵敏度高、测量种类多、功能齐全、过载能力强、抗干扰性好、体积小、重量轻、可靠性高,又由于采用数字形式来显示测量结果,使得读数快捷方便,而且还能从根本上消除因视差所造成的读数误差。总之,数字万用表的众多优点是模拟式万用表所无法替代的,因此在电气、电子、通讯、科研和家电行业等的应用非常广泛。然而,由于数字万用表属于精密电子仪表,如果使用方法不当,将不能获得准确的测量结果,甚至还会造成仪表的损坏。为此,笔者总结使用和维护数字万用表(在下文中也称仪表)的方法、要领和技巧,以飨读者朋友。

1.首先要了解仪表的基本性能 自动控制网www.eadianqi.com版权所有

  我国市面上数字万用表的品牌和型号多达数百种,常见的国内外型号也有几十种,因此,在使用那些自己不太熟悉品种的数字万用表之前,应当详细阅读随机附带的技术说明书或咨询有经验的人员,重点是了解仪表的特点、主要性能、技术指标、面板功能、测量方法要求和特别注意事项等。图1为常用的两种数字万用表的外形结构,其它仪表大同小异。

 


2.必须满足环境条件要求 自动控制网www.eadianqi.com版权所有

  数字万用表的内部电路对于温度和湿度比较敏感,因此对于使用环境具有一定的要求,如工作场所的温度和相对湿度不得超出仪表技术条件所规定的限度,否则,仪表的准确度指标将无法保证。如DT1000型数字万用表保证准确度的测试温度为23℃±5℃、相对湿度<75RH,但又专门规定了温度范围,其中工作温度为0℃40℃32℉104℉),储存温度为-10℃50℃14122℉)。

  数字万用表在使用和存放过程中,应当尽量避免阳光直接照射,避免灰尘和各种腐蚀性介质对仪表的损害,还要防止各种形式的机械振动、冲击和跌落现象发生,使其保持清洁干燥,完好无损。

 

使用前的检查项目 数字万用表属于强检仪表,因此在使用前应确认是否经过质量技术监督部门认可机构的周期检定,是否在检定周期之内。检查的主要项目还有:检查仪表的外观有无严重损伤;检查量程选择开关、按键开关

 

3.使用前的检查项目

  数字万用表属于强检仪表,因此在使用前应确认是否经过质量技术监督部门认可机构的周期检定,是否在检定周期之内。检查的主要项目还有:检查仪表的外观有无严重损伤;检查量程选择开关、按键开关等操作机构是否灵活、切换是否准确到位;检查电池的能量是否正常;检查显示屏的显示内容是否齐全、有无缺少笔划现象;检查表笔及其导线的绝缘是否完好、导电性是否良好(一般在200Ω电阻挡通过短接表笔来判别)。

4.选择开关使用要点

  如果对于被测电压或电流的大小事先无法得知,则必须先将选择开关置于最高量程挡位,然后根据测量显示的结果再适当下调。如果是自动转换量程式数字万用表(如DT—840DT—860DT—910等),则就省心多了,但这种仪表的测量时间过程较长,比如被测的电量非常微小,但也必须遵循既定的程序规则,大多是先从最高量程开始测量并显示结果,然后自动地逐渐降低量程,直至适当为止。与此相反,DT—960T型则是从最低量程向高量程自动切换的。

  在测量较高的电压和较大的电流的过程中,不要切换选择开关的挡位,否则很容易烧伤开关触点及损坏仪表内部的其他电子元器件。如果情况特殊而确需切换时,应将表笔离开被测量电路,再进行切换。 本文来自www.eadianqi.com

5.明确表笔的带电极性

  当数字万用表处在二极管测试挡、蜂鸣器挡和电阻挡时,红表笔连接着仪表内部高电位而带正电,黑表笔内接虚地而带负电,这种情况与模拟式万用表电阻挡两表笔的带电极性完全相反。当使用数字万用表检测带有极性的电子元器件(如半导体器件、电解电容器等)或相关电路时,要务必充分注意。

 

 

测量大电流的操作要点 当被测电流大于或等于200mA时,表笔插头应换接到大电流专用插孔(如10A20A,因表而异)。由于绝大多数仪表的大电流挡没有设置过电流保护措施,因此要防止测量过载现象的发生,以免损坏仪

 

6.当被测电流大于或等于200mA时,表笔插头应换接到大电流专用插孔(如10A20A,因表而异)。由于绝大多数仪表的大电流挡没有设置过电流保护措施,因此要防止测量过载现象的发生,以免损坏仪表。此外,不得将置于大电流挡的数字万用表长期串入被测线路中作为大电流显示装置使用,通常大电流下的测量时间最好能控制在30秒钟之内。

7.测量低值电阻时不可忽视接触电阻成分

  如果被测电阻在10Ω以下,则必须考虑表笔线及两只表笔与被测部位之间的接触电阻的成分。因此在测量前应首检查表笔及其表笔线的自身电阻,方法是把两只表笔的触针短接,并记下屏幕上的显示值,将此值作为底数,在测完电阻后把测得值减去该底数,所得之差才是被测电阻的实际值。 自动控制网www.eadianqi.com版权所有

8.必须明确交流电压挡的功能属性

  普通数字万用表的交流电压挡属于平均值仪表,而且是按正弦波特性设计的,所以它不能直接用于测量锯齿波、三角波、矩形波等非正弦波电压,被测量即便是正弦波电压,如果其波形的失真度较大,仍将不能获得正确的测量结果。这对于脉冲电路、数字化电子系统和广播电视设备中的视频、音频电路,以及工控仪表装置中的非电量电测信号等测量对象来说,都必须引起高度的重视。如需准确测量各种非正弦波形的电压有效值,应选用真有效值数字万用表(如DT980型)进行测量。

9.被测部分的孤立性规则

  在测量电阻时,无论被测对象是复杂的系统还是单个的电子元器件,被测部分不得存在除数字万用表测试电流以外的任何电源所形成的电流成分,而且测量者的手指等身体的任何部位均不得接触两个表笔的触针及被测对象的导电部位,以免对被测部分构成分流作用或引入干扰成分,从而造成较大的测量误差。因此,在测量电阻前必须切断被测对象的工作电源或与电源有联系的电路,否则,不仅测量结果无法保证,还有可能损坏仪表或对人身安全构成威胁。即使是测量电压和电流参数,也有必要考虑被测部分的孤立性规则,因为弱小参量下测量结果的准确性是关键,而强势参量下人员和仪表的安全成为主题。

10.必须明确电阻挡的弱电流特性

  数字万用表电阻挡的内阻很高,它所提供的测量电流固然非常微弱(如20kΩ挡:DT—830型为75μADT—840D型为60μA)。如果使用该电阻挡测量半导体器件各个电极之间的阻值,实际上测量电流在半导体器件内部的作用根本无法克服其PN结的死区电压,由此测出的阻值要比模拟式万用表测出的阻值高出许多,而且两者之间不存在线性比例关系,没有任何的可比性,所以构不成判别其好坏的可靠依据。因此不能用数字万用表的电阻挡来判别半导体器件的性能,应当改换到二极管测试挡进行判别,而且这是专为测量半导体器件而设的。

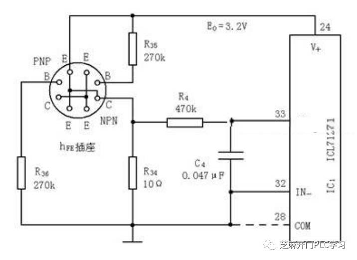
11.必须明确hFE测试挡的适用范围

  数字万用表的hFE挡测量的是晶体三极管共发射极直流电流放大系数,由于能直接以数字形式显示出hFE值,对于鉴别和选用晶体三极管来说,实在是太方便了,但鲜为人知的是该挡仅适合于测量小功率晶体三极管的hFE ,而不适用于大、中功率晶体三极管的hFE的测量,其原因分析如下。


 本文来自www.eadianqi.com

  图2

  以DT1000型数字万用表为例,图2是其 hFE 测试电路原理图。8芯插座专门为插接被测管子而设,每组EBCE的四个插孔按照PNPNPN分左右两个区域排列,两个E孔已在仪表的内部连通;R35NPN型被测管子的基极偏置电阻;R36PNP型被测管子的基极偏置电阻;被测管子的工作电源取自V+COM之间的电位差,其典型值为E0 =3.2VR34为被测管子的负载电阻,亦即 hFE 测量取样电阻;IC1IN+IN-与COM 等端子在此组成200mV 基本表,用以显示由R34转换而成的取样电压。从图2的基极偏置电路可求得被测管子的基极偏置电流,以PNP型硅管为例,并设被测管子的UBE=0.55V,则: 本文来自www.eadianqi.com

 

  由此可见,被测管子的基极偏置电流如此之小,通常仅供测试小功率晶体管之用,而对于中功率和大功率管子而言,10μA的基极电流所引发的集电极电流相当微小,很可能落到管子的线性工作区(即放大区)与截止区的交界处附近,根本不在放大区的正常范围之内。所以,如果使用普通数字万用表的hFE挡测量大、中功率晶体三极管的hFE,将会产生很大的误差,可能造成hFE示值严重失实,进而对晶体三极管做出错误的判断。

 

12.其他注意事项

  (1)当被测部位的电压高于安全电压(通常情况下规定为36V,特别潮湿场合为12V)时,必须警惕触电事故的发生,应有可靠的安全措施。

  (2)不准使用数字万用表测量对其本身正在供电的电池或稳压电源的电压或电流。

  (3)不得将正在进行测量工作中的数字万用表的电池或稳压电源同时为其他装置供电。

  (4)测量前应检查各量限、各插口(孔)所能承受的最大电压不得超过规定值。

  (5)为节约仪表内部的电池,当测试间隔时间较长时,应及时关掉仪表的电源。

  (6)如果长时期(冬天为数十日,夏天为数日)内不打算使用仪表,索性将电池取出,以防不测。

  (7)使用中若发现屏幕显示出低电压符号时,说明应当更换新电池(更换前应首先关闭电源),以确保测量的准确度。

  随着科学技术的发展,数字万用表的品种和规格也越来越多,其电路结构和技术性能方面也是在不断的进步和创新,尤其是多用途仪表和高精度仪表,加之使用环境和被测对象以及使用者的素质也不尽相同,因此,除了掌握上述的各项要领之外,还要根据所用仪表的技术特点和使用要求,针对具体的测量对象、测量环境和测量要求而采取相应的技术策略,做到具体问题具体分析,具体对待,绝不能一概而论。

 



友情链接

Copyright © 2023 All Rights Reserved 版权所有 香港腕表价格交流群