香港腕表价格交流群

高精度功率分析仪是如何炼成的?

2022-08-07 14:37:14


摘要 功率分析仪的核心功能是能够准确的对输入信号进行采集,且各个通道间必须保证绝对的同步,因此功率分析仪的实现重点是在于如何保证采集部分的同步性和采样的高精度、稳定性。

功率分析仪定义


功率分析仪是一种多功能仪器,除了能够对电压、电流和功率进行精确测量以外,还集成了波形显示、谐波分析、闪变分析、积分等多种功能,如下图所示。


图1 功率分析仪的功能


功率分析仪的基本功能是一台多通道的高精度功率测量仪器,可以精确测量多相高电压和大电流,计算有功功率P、无功功率Q、视在功率S、功率因数、相位、能量累计等参数,通常用来测试变频器、逆变器、电机和变压器等功率转换装置的效率和功耗。下图为功率分析仪在变频器、电机驱动系统中的应用实例。


图2 变频器、电机驱动系统功率分析检测


随着节能和新能源领域的迅猛发展,功率分析仪被广泛应用于电动汽车、电气化高速铁路、太阳能光伏逆变发电、风力发电、电机、变压器、燃料电池、电子镇流器、节能灯、、开关电源供、不断电系统(UPS)、电动工具、信息及办公设备(打印机、扫描仪)、家电等功率设备的开发和性能评估。也适用于对电网运行质量进行监测及分析,提供电力运行中的谐波分析及功率质量分析。


功率分析仪的组成


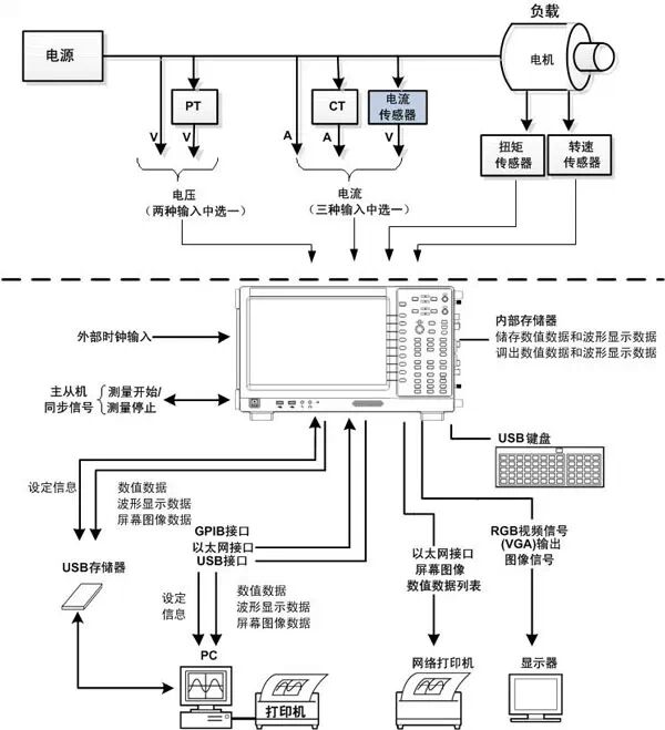
图3 功率分析仪的组成


如图 3所示,由功率分析仪的功能确定,一方面功率分析仪需要完成对外部输入信号的测量,包括被测装置的电压、电流信号,扭矩/转速传感器的信号;另一方面,对测量得到的数据进行运算,得到电压、电流、功率、效率等参数,并能够对输入的信号进行处理分析,例如进行谐波分析、FFT分析、查看波形等,并可以与外部的设备进行数据交互。


图4 功率分析仪的系统设计


由功率分析仪的功能需求可以确定,功率分析仪的系统结构,如图 4所示,主要由采集板卡和主板组成,采集板卡实现单相输入的采集,包括一个电压通道和一个电流通道,主板主要实现显示和通讯功能。


功率分析仪的实现


功率分析仪的核心功能是能够准确的对输入信号进行采集,且各个通道间必须保证绝对的同步,因此功率分析仪的实现重点是在于如何保证采集部分的同步性和采样的高精度、稳定性。


低温漂、低噪声的高速数据采集


功率分析仪的目标精度高达0.02%,高精度测量最难处理的两个问题是温漂和噪声。整个模拟前端的框图如图5所示,其中每个环节的温漂和噪声都会影响到最后的测量精度。



图5 模拟前端框图


如果要保证测量精度,这必须保证每个环节的温漂和噪声很低,或者能实现各环节间的补偿处理。


对于温漂问题,首先温漂是必然存在的,所有的模拟器件都存在温度系数,随着温漂变化其参数会发生变化,同时由于我们无法保证仪器工作在恒温环境,所有必须考虑处理温漂问题。解决温漂问题首先是元器件选型方面必须需要考虑选型一些温漂小的器件,电路设计上考虑进行温漂补偿,添加补偿电路将温漂降低,避免相关放大电路出现饱和问题,然后设计自校准电路,测量时实时校准各环节的温漂,将偏置的温漂影响降到最低,然后是元器件匹配和布局问题,处理增益补偿电路,将增益误差影响降到最低,同时将ADC的转换参考电压和模拟前端调理参考电压使用同一组电压,解决参考电压温漂产生的影响,另外采用16位分辨率的ADC进行高速采集。


对于噪声问题,要考虑电路内部的噪声和外部的噪声,内部噪声的处理需要考虑原理设计方面的问题,外部噪声问题需要考虑电路板布局和屏蔽问题。电路设计上面,需要考虑处理电阻热噪声、运放噪声问题,电路布局方面需要考虑将容易受到干扰的环节进行特殊处理。然后设计合理的滤波器,将一些噪声滤除。另外必须考虑屏蔽壳的设计,将外部的噪声干扰降低。


高精度同步采样


功率分析仪和示波器、万用表的最大区别就是能同时分析电压和电流信号,从而实现对功率信号的分析,如果要实现对功率的准确分析,则必须准确测量电压和电流信号,并且需要同时实现对电压和电流信号的采样,电压和电流信号经过ADC数字化过程中每一个采样点都必须发生在同一时刻,否则就无法实现同步测量。为了实现严格的同步测量,在功率分析仪内部,采用了业界最高的同步时钟,高稳定性温度补偿的100MHz同步时钟,避免温度变化带了的时钟漂移所引入的误差,严格保证ADC对各通道电压和电流的同步测量,从而保证了功率测量的精度。


100MHz的同步时钟引起的最大误差为10ns,对于50Hz的工频信号来说周期为20ms,所以10ns的时钟误差引起的相位测量误差为



如果同步时钟为10MHz则相位角误差就会到0.0018°。


为了讨论方便假设被测的电压和电流都是标准正弦信号,那么功率运算公式为



其中为不同步引起的相位角误差,所以可以看到功率测量的精度会受到相位角的直接影响。


当电压和电流的相位角较小时,即功率因数较大时,0.00018°的相位误差对测量精度影响很小,但是在极低功率因数情况下0.00018°的相位误差带来的功率误差是就比较明显,误差对比如下表所示,如果同步时钟频率降低,则测量误差就会成倍增大,这也是目前业界功率测量设备无法实现在极低功率因数情况下精确测量的主要原因。


表1 100MHz同步时钟引起的测量误差


表2 10MHz同步时钟引起的测量误差


通过上表我们可以看到,使用的100MHz同步时钟,有效保证了极低功率因数下的测量精度,功率因数低于0.01时依然可以保证优于0.6%的功率测量精度。


高共模抑制


功率分析仪需要与普通电力测量的仪器的最大区别是需要同时测量多路的电压和电流信号,并且各测量通路之间必须进行隔离浮地,隔离耐压达到几千伏以上。采集板卡的框图如下图,隔离耐压达到5kV,由于采用了严格的隔离,所以可以很好的满足各种接线应用,保证接线和用户的安全。



模拟前端浮地可以起到很好的隔离和安全效果,但是由于浮地的存在,导致模拟前端的屏蔽壳地和机壳大地之间存在共模电压Vc如下图所示。被测电压Vd,屏蔽壳和模拟前端地连接在一起,由于被测信号Vd是浮地,所以Vd和大地之间存在Vc这个共模电压,由于模拟前端浮地,所以共模电压Vc加在屏蔽壳和机壳之间的这个杂散电容Cs上,因此该Cs的值直接影响到共模电流Ic的大小,Ic流经被测信号的负端,该共模电流加在负端的输入阻抗上就将共模电流转换成差模电流,从而导致对被测信号的干扰,导致测量不准确,所以实际应用中应该尽量降低共模电压Vc的值,仪器设计上要尽量降低Cs这个杂散电容的值。



功率分析仪的杂散电容Cs小于60pF,所以对50Hz信号的共模阻抗为53MΩ,假设负端的电阻为1Ω,所以可以得到其理论误差为0.018ppm,理论共模抑制高达159dB,实际测量功率分析仪的共模抑制大于120dB,120dB的意义就是当存在1000V的共模干扰时,我们测量结果仅仅有1mV的误差,即共模干扰小于1ppm。


创新的系统架构


图6 内部基于PCIe的高速传输架构


传统的功率分析仪产品由于设计的年代比较早,处理能力弱,没有办法兼顾运算性能和快速存储的性能。


在功率分析仪产品的设计中我们采用了创新性的PCIe架构,极大的提高了功率分析仪的内部数据交互的速度,解决了大批量数据存储和处理的瓶颈。下表在仪器内部常用的总线类型,从表中的数据可以知道,PCIe总线的带宽和处理能力是远远高于传统其它类型的总线接口,传输速度高达2.5Gb/s。


表3 常用总线带宽对比


通过采用PCIe架构,这次设计的功率分析仪是业界唯一一款支持10ms更新率的功率分析仪器。10ms更新率是功率分析仪历史上一个革命性的突破,同时满足了功率测量和数据记录的需求。因为在传统的测试中,如果你想看到更快的测量结果,如想看看全波分析或者半波分析,那你只能再花费大量的金钱和时间去购买和学习另外一款仪器-记录仪,但是最终你会发现你的问题还是没有很好的解决,你根本无法实时查看测量结果,只能走入一个记录-软件分析-调试-记录-软件分析的恶性调试模式,浪费大量的时间和金钱,分析过程异常痛苦。支持10ms更新率功率分析仪的诞生将用户完全从这种调试的怪圈中解放出来,实时的更新和处理能力,使调试时每次修改都立竿见影,让你很快查看到结果。


了解更多功率分析仪信息信息,请点击阅读原文





ZDS2024 Plus,再一次,重新定义示波器!


存储深度升级至250Mpts,协议解码最多支持25种,包括最新的CAN-FD协议解码,可免费升级电源分析软件……


有任何疑问请直接在微信对话框中输入您的留言,小编非常乐意为您解答。


致远电子 (ID: ZLG_zhiyuan )

还没关注致远电子?您将错过每日泛着油光的干货!您将错过一段颠覆洋品牌的历史!!有时候你想证明给一万个人看,到后来,你发现只得到了一个明白的人,那就够了。你是我们期待已久的粥粉么?我们的微信号:ZLG_zhiyuan。

友情链接

Copyright © 2023 All Rights Reserved 版权所有 香港腕表价格交流群